Bemessung eingeklebter Stahlstäbe in Holzbauteile

Nachweis der Verbindung
Lübbbert Warenhandel Logo
Kundenkonto / Login
Nicht angemeldet
Hinweis: Die Seite ist frei und ohne Anmeldung nutzbar. Ein Kundenkonto benötigen Sie nur, um Ihre Konfigurationen zu speichern oder einen PDF-Plot zu erstellen.
Kontakt

Lübbbert Warenhandel GmbH
Traberweg 2
22159 Hamburg
Deutschland

Tel.: +49 (0) 40 226 59 22 70
E-Mail: info@holzleime.de

Konfigurationen verwalten

Beanspruchung

Das Einkleben von Stahlstangen in Holz zur Übertragung von Lasten ist nach DIN EN 1995-1-1/NA:2013-08, NCI NA.11.2 sowohl parallel als auch senkrecht zur Faser zulässig. Die Beanspruchung darf dabei sowohl in Richtung der Stabachse als auch quer dazu erfolgen.
Darstellung Beanspruchung
© Lübbbert Warenhandel GmbH. Alle Rechte vorbehalten.
Ft,Ed = kN
Fc,Ed = kN

Materialauswahl

kmod = -

Eingeklebter Stahlstab

Hinweis: Entspricht der Standardmethode bei Verklebungen im Innenraum.

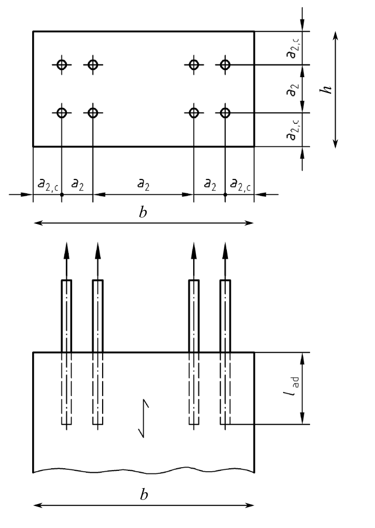
Geometrie des Anschlusses

b = mm
h = mm
lad = mm
\( l_{\mathrm{ad,min}} = \max\{0{,}5 \cdot d^{2};\; 10 \cdot d\} \)
\( l_{\mathrm{ad,max}} = \min(40 \cdot d;\; 1000) \) gem. AbZ Nr. Z-9.1-705, Gleichung (1)

Mindestabstände der Stäbe

a2 = mm
a2,c = mm
Geometrie Anschluss
Abbildung aus DIN-EN-1995-1-1/NA, Bild NA.20 (Bearbeitet)

Bauausführung

  • Die Ausführung der eingeklebten Gewindestangen hat entsprechend der Vorgaben der allgemeinen bauaufsichtlichen Zulassung Z 9.1-791 zu erfolgen. Weitere Regelungen finden sich in Abschnitt 7.2 der DIN EN 1995-1-1:2013-08 und dem Nationalen Anhang, insbesondere Abschnitt NCI NA.11.2.3.
  • Betriebe, die Stahlstäbe in tragende Holzbauteile nach dieser allgemeinen Bauartgenehmigung einkleben, müssen im Besitz einer Bescheinigung über die Eignung zum Einkleben von Gewindestangen in tragende Holzbauteile gemäß DIN 1052-10, Abschnitt 5 sein.
  • Die mit der Ausführung betrauten Personen müssen über die Bestimmungen dieser allgemeinen Bauartgenehmigung sowie über alle für eine einwandfreie Herstellung der Verbindung sowie deren Anwendung erforderlichen weiteren Einzelheiten unterrichtet sein. Zu dieser Unterrichtung ist der Antragsteller der allgemeinen Bauartgenehmigung verpflichtet.
  • Die bauausführende Firma hat zur Bestätigung der Übereinstimmung der Bauart mit der allgemeinen Bauartgenehmigung eine Übereinstimmungserklärung gemäß §§ 16 a Abs. 5 i. V. m. 21 Abs. 2 Musterbauordnung (MBO) abzugeben.
Haftungsausschluss / Hinweis zur Nutzung

Dieses Bemessungsprogramm stellt ein Hilfsmittel dar und ersetzt keine eigenverantwortliche statische Berechnung durch eine fachkundige Person. Die Verantwortung für die Plausibilitätsprüfung der Eingabedaten, die Überprüfung der Ergebnisse sowie die normgerechte Umsetzung der Nachweise liegt beim Anwender. Jegliche Haftung des Anbieters für Schäden, die aus der Nutzung oder Nichtnutzung der Berechnungsergebnisse entstehen, ist – soweit gesetzlich zulässig – ausgeschlossen.